电动机的简单仿真
Multisim做电子电路仿真,是很不错的.其实,在电气设计方面,也很顺手的.
电气设计中,少不了对电动机的驱动,而最常用的便是异步鼠笼式式电动机.虽然可以使用相量法计算,但委实繁琐,而直接进行仿真,则可以减少不少麻烦,并降低出错的概率.
所以,在Multisim中画出电动机的等效电路,就可以进行分析了.
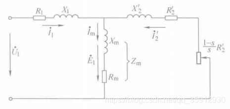
一般使用的是
T形等效电路


引自:https://blog.csdn.net/qq_35912930/article/details/115766230
这个等效电路很全面,可以进行暂态分析,故障模拟等等.但是,有点复杂了,对于不做电机设计的同学来说,很多参数也没办法得到.
对于常规应用,只需要考虑稳态就够了,能得到的参数一般也只有,电制,额定功率,功率因数(下文中用cosf表示).
所以,本文对T形等效电路,进行大幅度化简,在稳态下,用工程能够得到的参数,就可以得到不错的精度.
当当当...当

不要太惊讶,就是这么简化.毕竟T形等效电路就是一个电阻电感网络,肯定是可以化简成上图这样.
其中

L=
(P 和 Pe都是 1/3[星形接法]或1/9[三角接法]的额定功率,f为频率,U为线电压)
不想动手计算的,可以运行文章结尾的python程序,thinker的界面

下面仿真一个星形接法的电机,功率3kw,cosf=0.8,380V50Hz

下面仿真一个三角形接法的电机,功率9kw,cosf=0.8,380V50Hz

星三角转换 星形

星三角转换 三角形

等效电阻和电感的计算程序:
1 import tkinter as tk 2 from tkinter import filedialog 3 from tkinter import messagebox 4 from tkinter import simpledialog 5 import math 6 接线方法 = '' 7 等效电阻值 = 0 8 等效电感值 = 0 9 相电压值 = 0 10 频率值 = 0 11 功率因数值 = 0 12 功率值 = 0 13 def 接线方法选择(): 14 接线方法字典 = {1:'星形接法', 2:'三角形接法'} 15 global 接线方法 16 接线方法 = 接线方法字典.get(接法单选空间.get()) 17 18 def 计算数据(): 19 global 接线方法 20 global 等效电阻值 21 global 等效电感值 22 global 相电压值 23 global 频率值 24 global 功率因数值 25 global 功率值 26 相电压值 = float(相电压输入框.get()) 27 频率值 = float(频率输入框.get()) 28 功率因数值 = float(功率因数输入框.get()) 29 功率值 = float(功率输入框.get()) 30 线电压 = 相电压值 / math.sqrt(3) 31 单绕组功率 = 0 32 if 接线方法 == '星形接法': 33 单绕组功率 = 功率值 / 3 34 if 接线方法 == '三角形接法': 35 单绕组功率 = 功率值 / 9 36 等效电阻值 = (功率因数值 * 线电压) **2 / 单绕组功率 37 等效电感值 = 功率因数值 * math.sqrt(1 - 功率因数值 ** 2) * 线电压 **2 /(2 * 频率值 * 单绕组功率 * math.pi) 38 等效电阻结果显示标签.config(text = str(等效电阻值)) 39 等效电感结果显示标签.config(text = str(等效电感值)) 40 41 42 43 if __name__ == '__main__': 44 主窗口 = tk.Tk() 45 主窗口.title('电机极简等效电路 等效电阻 电感 计算') 46 主窗口.geometry('300x300') 47 主窗口['background'] = '#CCCCCC' 48 数据输入区 = tk.Frame(主窗口) 49 数据输入区.pack() 50 # 相电压 51 tk.Label(数据输入区, text = '相电压:').grid(row = 0, column = 0) 52 相电压输入框 = tk.Entry(数据输入区, width = 20) 53 相电压输入框.grid(row = 0,column = 1, padx = '5px') 54 相电压输入框.delete(0, 'end') 55 相电压输入框.insert(0, '380') 56 tk.Label(数据输入区, text = 'V').grid(row = 0, column = 2) 57 # 频率 58 tk.Label(数据输入区, text = '频率:').grid(row = 1, column = 0) 59 频率输入框 = tk.Entry(数据输入区, width = 20) 60 频率输入框.grid(row = 1,column = 1, padx = '5px') 61 频率输入框.delete(0, 'end') 62 频率输入框.insert(0, '50') 63 tk.Label(数据输入区, text = 'Hz').grid(row = 1, column = 2) 64 # 功率因数 65 tk.Label(数据输入区, text = '功率因数:').grid(row = 2, column = 0) 66 功率因数输入框 = tk.Entry(数据输入区, width = 20) 67 功率因数输入框.grid(row = 2,column = 1, padx = '5px') 68 功率因数输入框.delete(0, 'end') 69 功率因数输入框.insert(0, '0.8') 70 tk.Label(数据输入区, text = '').grid(row = 2, column = 2) 71 # 功率 72 tk.Label(数据输入区, text = '功率:').grid(row = 3, column = 0) 73 功率输入框 = tk.Entry(数据输入区, width = 20) 74 功率输入框.grid(row = 3,column = 1, padx = '5px') 75 功率输入框.delete(0, 'end') 76 功率输入框.insert(0, '1000') 77 tk.Label(数据输入区, text = 'W').grid(row = 3, column = 2) 78 # 接线方法 79 tk.Label(数据输入区, text = '接法:').grid(row = 4, column = 0) 80 接法单选空间 = tk.IntVar() 81 接法单选空间.set(0) 82 tk.Radiobutton(数据输入区, text = "星形接法", variable = 接法单选空间, value = 1, command = 接线方法选择).grid(row = 5, column = 1, sticky='w') 83 tk.Radiobutton(数据输入区, text = "三角形接法", variable = 接法单选空间, value = 2, command = 接线方法选择).grid(row = 6, column = 1, sticky='w') 84 # 操作区 85 操作区 = tk.Frame(主窗口) 86 操作区.pack() 87 # 计算按钮 88 计算按钮 = tk.Button(操作区,text = '计算', width = 10, command = 计算数据) 89 计算按钮.grid(row = 0,column = 0, padx = '5px') 90 # 输出结果区 91 输出结果区 = tk.Frame(主窗口) 92 输出结果区.pack() 93 tk.Label(输出结果区, text = '等效电阻值=').grid(row = 0, column = 0) 94 等效电阻结果显示标签 = tk.Label(输出结果区, text = ' ') 95 等效电阻结果显示标签.grid(row = 0, column = 1) 96 tk.Label(输出结果区, text = 'Ω').grid(row = 0, column = 3) 97 tk.Label(输出结果区, text = '等效电感值=').grid(row = 1, column = 0) 98 等效电感结果显示标签 = tk.Label(输出结果区, text = ' ') 99 等效电感结果显示标签.grid(row = 1, column = 1) 100 tk.Label(输出结果区, text = 'H').grid(row = 1, column = 3) 101 主窗口.mainloop()
还没有Multisim 的同学,可以试试这个版本
Multisim12 :
链接:https://pan.baidu.com/s/1FSPHRdIQa13-UPjvrNFQ9g?pwd=l1me
提取码:l1me
元件包:
链接:https://pan.baidu.com/s/1dmznM60caA0RIXdNx7K_0w?pwd=fmp7
提取码:fmp7