米联客-S02(Artix-7-XC7A35T/100T)开发平台硬件手册
1产品概述
MLK-S02(XC7A35T/100T)是米联客S系列开发平台的一款高性价比开发板。其核心模块集成电源管理:1V核心电源,最大输出8A。其开发平台为一体开发板,将主芯片直接焊接于开发板上,其开发板设计尺寸紧凑、资源丰富。其应用领域包含高速通信、机器视觉、伺服系统、视频采集、消费电子;项目研发前期验证;电子类相关专业开发人员学习。
2硬件参数概述
S02(Artix-7-XC7A35T/100T)硬件参数 | ||||
FPGA主要参数 | 型号 | XC7A35T-2FFG484I | XC7A100T-2FFG484I | |
构架 | Artix7 | Artix7 | ||
逻辑单元(Logic Cells) | 33280 | 101440 | ||
查找表(LUTs) | 20800 | 63400 | ||
Block RAM(kb) | 1800 | 4860 | ||
DSP(DSP slices) | 90 | 240 | ||
触发器(Flip-flops) | 41600 | 126800 | ||
XADC | 12bit*1(和IO BANK复用) | 12bit*1(和IO BANK复用) | ||
速度等级 | -2 | -2 | ||
温度等级 | -40°~+85° | -40°~+85° | ||
DDR3 | 256MB单片数据位宽16bits | |||
FLASH | 128Mbit | |||
时钟管理 | 25M单端输入时钟 | |||
电源管理 | 1V核心电源,最大输出8A | |||
GTP | 1组4对收发器,MAX速率6.6Gbps(未使用) | |||
USB UART | 1路USB UART | |||
RS485 | 1路RS485 | |||
以太网 | 1路10/100/1000以太网 | |||
EEPROM、RTC | EEPROM、RTC各一颗 | |||
HDMI输出 | 1路HDMI输出 | |||
LVDS接口 | 1路LVDS | |||
数码管 | 2个四位数码管 | |||
MIPI接口 | 1个2LAN MIPI接口 | |||
FEP接口 | FEP*2 | |||
CEP接口 | 1个CEP接口 | |||
TF卡 | 一个TF卡座,SD卡存储启动文件 | |||
按键 | 4个 | |||
LED | 8个 | |||
外形 | 125mm*80mm | |||
电源 | DC-12V | |||
整板最大功耗 | S02(Artix-7-XC7A35T)——6W | S02(Artix-7-XC7A100T)——6W | ||
3开发平台
S02(XC7A35T)开发平台如下:
实物图样以用户实际购买实物为准
4硬件详细描述
1: Artix-7芯片
MLK-S02开发平台主芯片搭载了一颗XILINX的XC7A35T-2FFG484I、XC7A100T-2FFG484I。芯片封装是 FGG484,速度等级是 2,温度等级是工业级。
FPGA主要参数 | 型号 | XC7A35T-2FFG484I | XC7A100T-2FFG484I |
构架 | Artix7 | Artix7 | |
速度等级 | -2 | -2 | |
逻辑单元(Logic Cells) | 33280 | 101440 | |
查找表(LUTs) | 20800 | 63400 | |
Block RAM(kb) | 1800 | 4860 | |
DSP(DSP slices) | 90 | 240 | |
触发器(Flip-flops) | 41600 | 126800 | |
XADC | 12bit*1(和IO BANK复用) | 12bit*1(和IO BANK复用) | |
GTP | 4对 | 4对 |
2:DDR内存
开发平台搭载了1片镁光(Micron)的DDR3内存。单片 DDR 内存大小是256MByte ,
数据接口是 16bit。内存数据主频高达 800MHZ,数据带宽可达 800MHz*16bit。
DDR的芯片型号为MT41K128M16JT-125:K,其内存大小是 256MB ,由Micron生产。开发板采用高速布线,DDR3 的硬件设计需要严格考虑信号完整性,开发板的电路及PCB 设计已经充分考虑了匹配电阻/终端电阻,走线阻抗控制,走线等长控制,以确保DDR3稳定工作。
DDR3的原理图如下所示:

3:PROM SPI FALSH
MLK-S02开发平台具有一片128M-bit/16M-byte 的FLASH,型号是W25Q128FV。FLASH可用于保存数据和代码,该flash支持标准串行外设接口(SPI)。
W25Q128FV主要技术参数
• 128Mbit
• x1, x2, and x4 支持
• 工作于 3.3V
通过阅读原理图,可以快速正确定位QSPI FLASH 的MIO的位置。
以下为部分IO原理图。

4:系统时钟
开发平台上配备一颗25MHZ的有源时钟,其时钟频率稳定性高。
以下为部分原理图:
5:UART
开发平台具有一路USB UART串口,其串口芯片为CH340K,其特点有全速USB设备接口,兼容USB V2.0,其芯片内部内置时钟,无需外部晶振。支持5V、3.3V甚至3V电源电压。
以下为部分原理图:
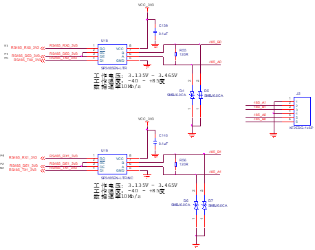
6:RS485
开发平台具有两路485通信(空贴一路),其芯片型号为SP3485EN-L,供电电压3.3V,可以与5V逻辑互操作。以下为部分原理图:
7:ETH(以太网)
开发平台具有一路以太网,其以太网芯片型号为YT8531,其芯片IO电压为2V5,其收发线按照差分走线处理,控制线及时钟线按照等长处理。
以下为部分原理图:
8:EEPROM、RTC
开发平台具有一颗RTC时钟,芯片型号为PT7C4337,芯片支持I2C-Bus高速模式,工作电压范围为1.8V-5.5V。
以下为部分原理图:
另外具有一颗EEPROM芯片,存储容量2Kbit,最大时钟频率0.4Mhz,工作电压范围2.5V-5.5V。
以下为部分原理图:
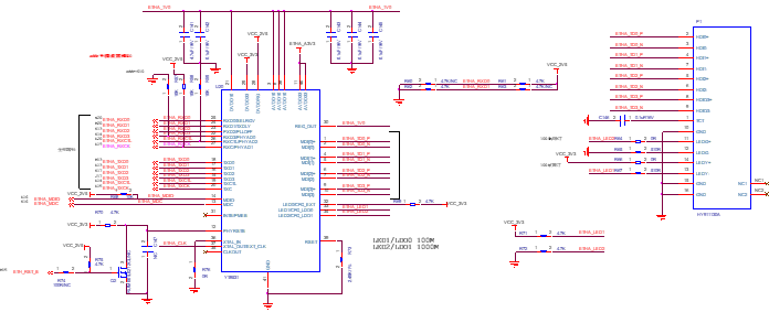
9:HDMI_O
开发平台具有一路HDMI输出,支持最大1080P@60fps输出。
以下为部分原理图:
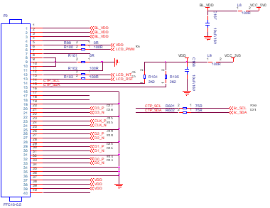
10:LVDS连接器
该开发平台具有一个LVDS接口,接口拥有40PIN,可用于液晶屏连接使用。
以下为接口原理图;
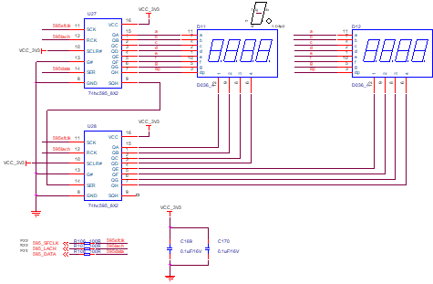
11:数码管
开发平台具有2个共阳极4位数码管,由两个74HC595驱动。
以下为部分原理图:
12:MIPI连接器
开发平台具有一个2LAN MIPI连接器,连接3V3电源,可用于OpenMV等连接开发。
以下为部分原理图:
13:LED
开发平台有8颗LED可用于开发。
以下为部分原理图:
14:按键
开发平台有4个按键用于开发。
以下为部分原理图:
15:FEP IO扩展连接器
开发平台焊接有一对FEP连接器,原理图接入有48个IO/24对差分,接入5V电源。
以下为FEP连接器管脚定义:
16:CEP连接器
开发平台焊接有一个40PIN的CEP连接器,可用于各低速功能验证开发,接入3V3及5V电源通过电阻可选。
以下为CEP连接器管脚定义及部分原理图:
17:TF卡座
开发平台具有一个TF(SD)卡座,其工作电压在3V3。
以下为TF卡座原理图:
18:JTAG接口
开发平台具有一个JTAG接口用于下载和调试。
以下为部分原理图:
19:电源管理
开发平台主电源电压1V,最大电流8A。
电源管理系统具有一套电源上电顺序以及原理图如下:
5 XC7A35T-2FFG484I BANK分布
附录1:常见问题
1 联系方式
技术交流群网址: https://www.uisrc.com/f-380.html查看最新可以加入的QQ群
技术微信:18951232035
技术电话:18951232035
官方微信公众号(新微信公众号):
2 售后
1、7天无理由退货(人为原因除外)
2、质保期限:本司产品自快递签收之日起,提供一年质保服务(主芯片,比如FPGA 或者CPU等除外)。
3、维修换货,需提供淘宝订单编号或合同编号,联系销售/技术支持安排退回事宜。
售后维修请登录工单系统:https://www.uisrc.com/plugin.php?id=x7ree_service
4、以下情形不属于质保范畴。
A:由于用户使用不当造成板子的损坏:比如电压过高造成的开发板短路,自行焊接造成的焊盘脱落、铜线起皮 等
B:用户日常维护不当造成板子的损坏:比如放置不当导致线路板腐蚀、基板出现裂纹等
5、质保范畴外(上方第4条)及质保期限以外的产品,本司提供有偿维修服务。维修仅收取器件材料成本,往返运 费全部由客户承担。
6、寄回地址,登录网页获取最新的售后地址:https://www.uisrc.com/t-1982.html
3 销售
天猫米联客旗舰店:https://milianke.tmall.com
京东米联客旗舰店:https://milianke.jd.com/
FPGA|SOC生态店:https://milianke.taobao.com
销售电话:18921033576
常州溧阳总部:常州溧阳市中关村吴潭渡路雅创高科制造谷 10-1幢楼
4 在线视频
https://www.uisrc.com/video.html
5 资源下载
https://www.uisrc.com/download.html
6 软件其他下载
https://www.uisrc.com/f-download.html