GPIO口的推挽输出与开漏输出
https://baijiahao.baidu.com/s?id=1609057502892097103&wfr=spider&for=pc
https://zhuanlan.zhihu.com/p/532628463
电路中加上拉电阻或下拉电阻的目的是确定某个状态电路中的高电平或者低电平。
上、下拉电阻的左右
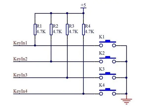
1.提高电路的稳定性,避免引起误操作。如下图

https://baijiahao.baidu.com/s?id=1609057502892097103&wfr=spider&for=pc
https://zhuanlan.zhihu.com/p/532628463
电路中加上拉电阻或下拉电阻的目的是确定某个状态电路中的高电平或者低电平。
上、下拉电阻的左右
1.提高电路的稳定性,避免引起误操作。如下图
