三相感应异步电机的参数辨识,大厂成熟的C代码,附赠仿真模型: 1. 第一
三相感应异步电机的参数辨识,大厂成熟的C代码,附赠仿真模型:
1. 第一步,辨识定子电阻;
2. 第二步,辨识转子电阻和漏感;
3. 第三步,辨识互感并计算空载电流。
大厂成熟的代码,可以直接移植,本人已经成功移植到DSP28335芯片工程中,有详细的算法原理讲解。
仿真模型采用S-Function即S函数调用C代码直接进行仿真,更贴近于硬件仿真。
YID:61500676858309107






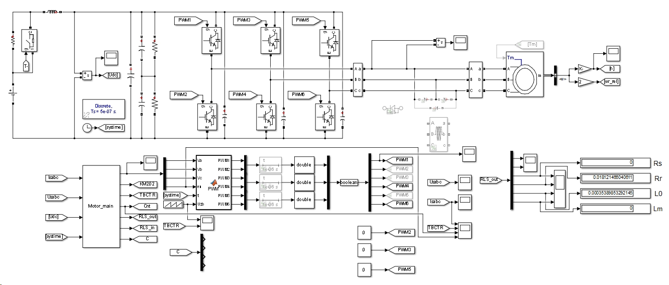
三相感应异步电机的参数辨识,大厂成熟的C代码,附赠仿真模型:
1. 第一步,辨识定子电阻;
2. 第二步,辨识转子电阻和漏感;
3. 第三步,辨识互感并计算空载电流。
大厂成熟的代码,可以直接移植,本人已经成功移植到DSP28335芯片工程中,有详细的算法原理讲解。
仿真模型采用S-Function即S函数调用C代码直接进行仿真,更贴近于硬件仿真。
YID:61500676858309107





