该算法 转速环采用广义预测控制和扩展状态观测器作为前馈叠加输出为给定转矩 给定转矩经过牛顿迭代法数值求
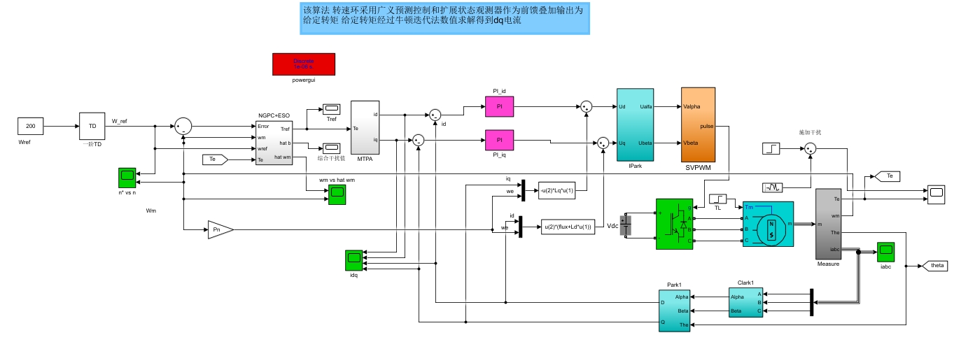
该算法 转速环采用广义预测控制和扩展状态观测器作为前馈叠加输出为给定转矩 给定转矩经过牛顿迭代法数值求解得到dq电流 仿真表明具有良好的调速性能 和抗干扰能力
ID:7678651585887577






该算法 转速环采用广义预测控制和扩展状态观测器作为前馈叠加输出为给定转矩 给定转矩经过牛顿迭代法数值求解得到dq电流 仿真表明具有良好的调速性能 和抗干扰能力
ID:7678651585887577





