该模型采用模型预测控制进行PMSM速度控制,由于预测控制理论在近些年来得到了快速发展并且在工业控制中应用
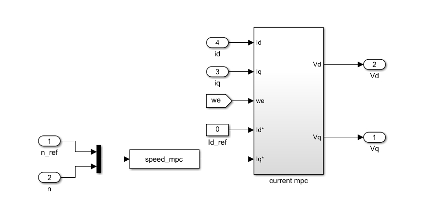
该模型采用模型预测控制进行PMSM速度控制,由于预测控制理论在近些年来得到了快速发展并且在工业控制中应用越来越广泛算法应用到永磁同步电机的控制中,充分利用其滚动优化和反馈校正的特点,使控制器表现出较好的鲁棒性,同时它具有结构简单、易于实现、对过程模型要求低等优点,因而在PMSM控制领域取得了显著的控制效果。
附带复现的参考文献(采用S函数)
ID:17128676128335885





该模型采用模型预测控制进行PMSM速度控制,由于预测控制理论在近些年来得到了快速发展并且在工业控制中应用越来越广泛算法应用到永磁同步电机的控制中,充分利用其滚动优化和反馈校正的特点,使控制器表现出较好的鲁棒性,同时它具有结构简单、易于实现、对过程模型要求低等优点,因而在PMSM控制领域取得了显著的控制效果。
附带复现的参考文献(采用S函数)
ID:17128676128335885




