1.RTLSDR
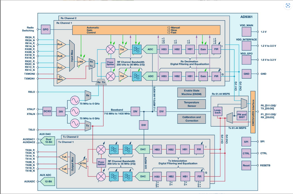
2.9361
Redis持久化机制(面试考点)与位图API
爬虫--识别验证码
TZYLT's 2024CSP-S游记
「CSP2024」游记
js模拟构造函数的实现过程
god father
划水
命令拼接技巧
SD NAND 与 SPI NAND
C语言中的编译过程详解
step7 V5.x上的SCL
yolo --- 核心思想
一些学科笑话
NOIP2024模拟赛20 & 11.1 小记
20241101 数据结构与算法期中机试收获
什么是IT技术
即将到来!
舍得-时间-工作是人的一生最重要的事情-自己要有私房钱-人的一生最重要的事情是书写自己的人生
2.TiUP 部署 DM 集群
ubuntu 24.04 部署 mysql 8.4.3 LTS
【游记】CCPC 济南 2024 游记
AJAX & AXIOS-2024/11/1
验证码处理在自动化测试中的应用
Java,启动!
2024/11/1日 日志 关于JavaScript简介&引入方式 以及基础语法的学习
原型模式的C++实现
python bytecode解析
09-XSS键盘监听、cookie窃取&文件上传绕过
国标GB28181公网平台LiteGBS国标GB28181视频平台建筑工地无线视频联网监控系统方案
imes完工下线
android 13 更改手机信号调整
Ethernaut Level 11: Elevator Attack and Blockchain Interaction
快速部署开源spug运维平台的Docker安装指南
驱动调试之printk的原理与使用
计算机思维模型及其应用
华为云发布代码大模型PanGu-Coder2,实现高效代码生成
Linux多硬盘数据存储和分区操作
构建高可用架构: 分层冗余与自动故障转移
LoRA:高效调参的大语言模型适应方法
《分布式系统的基本原理及互联网分层架构的本质》
Hadoop写流程解析
Java架构师的系统架构设计方法论中的规范要点
使用observeDOM解决BetterScroll插件在移动端无法滑动的问题
互联网一致性架构设计实践
高并发系统架构与水平扩展
混合应用的崛起:跨平台开发取代原生应用