什么是XH2.5连接器
做电子的人对这种连接器应该很熟悉,很多电路板上都会用到这种白色的间距2.5mm连接器:

在我大学期间,学长们将其称之为XH2.5连接器,在工作的时候,同事们把他们叫做XH2.5接插件,区别只是直插还是弯插,例如:一个4P的,间距2.5mm,弯插,带锁扣的连接器,公司的采购型号叫做XHB-2.5-4P弯针接插件,生产厂家是无要求,同事们的解释是这类接插件都是通用的,所以写个型号就可以了,厂家无所谓,去淘宝一搜,发现XH2.5这个端子还不少,好像确实是型号。
实际上,XHB-2.5-4P弯针接插件这个名字并不是这个连接器的详细型号,他甚至都不能叫做型号,XH这个名字最开始是JST公司推出的一款间距2.5mm线对板连接器,这个款2.5mm间距的连接器叫做XH型,这个系列的连接器卖的很好也很经典,名气也最大,因此很多人就习惯的把这类型的2.5mm间距连接器都叫做XH2.5,甚至一些的连接器厂家直接就把XH2.5这个名字当作型号。类似的,JST公司的ZH,PH,XH,VH系列也被很多人拿来指代相应间距的连接器。
那么,“XH2.5”这个名称能否用来指代跟JST公司的XH系列相同外形尺寸的连接器呢,JST公司的XH系列相当成功,因此,其他公司也有可以完全替换的型号,我们还是以“4P,2.5mm间距,弯插”来举例,我们可以发现,JST公司的“S4B-XH-ACJT”,CJT的“A2501WB-XP”,Molex的“534260000-SD”尺寸都相同。

(S4B-XH-ACJT) (A2501WB-XP) (534260000-SD)
但是,大厂的连接器价格都不便宜,很多公司的采购量也不够大,因此,有不少人会选择购买小厂的连接器,这些小厂往往只生产那么几个型号,型号的命名就直接使用XH2.5这个名字,例如下面这两个小厂的连接器,他们会把带锁扣命名为XHB,不带锁扣的命名为XH。

可以看出,上面小厂的连接器,已经跟JST公司的XH系列连接器有了不小的差别,“XH2.5mm连接器”其实已经不能用来指代XH系列连接器,现在连接器划分更细,种类也更多,就算是同一个间距的连接器,在外形,电流,电压上面,也会有不同,我们以“2.5mm间距,4P,弯插,线对板连接器”这为例,光是JST的官网,查询2.5mm间距的线对板连接器,光是系列就有15个系列。

那么我们就取其中的两个系列,一个是经典的XH系列,一个是EH系列

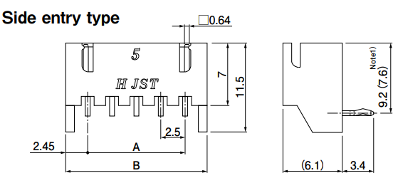
我们可以看到,JST公司的XH系列中,4P弯插的型号是S4B-XH-A,尺寸如下:


而在EH系列中,4P弯插的型号是S4B-EH,尺寸如下:


两者都是2.5mm间距,4P,弯插,但是两者的尺寸,外貌全都不一样,假如,我们按照S4B-XH-A的尺寸画好了封装,而采购买来的确是S4B-EH,那么等我们焊好连接器后,就会尴尬的发现我们根本插不上,因为EH系列的更短一点。
注意哦,JST公司的XH系列是不带锁扣的,带锁扣的系列叫做XA系列,XA系列里面又分为带定位孔的和不带定位孔的。


最后,大家要记住,现在大家普便称呼的XH2.5连接器曾经只是大家用来指代类XH系列外形的间距2.5mm的连接器,并不是一个具体的型号,每个厂家生产的连接器,尺寸都会有区别,这种区别有些大有些小,由于各种小厂存在,现在XH2.5mm连接器的含义基本上也只能代表间距2.5mm的连接器,就像电压基准芯片,三极管这些名词一样,是一个大类。
芯片会有自己的型号,2.5mm间距的连接器也会有自己的型号,千万不要把XH2.5mm当作一个通用的连接器型号了。大家选连接器最好去大厂的买,确定好自己的需求后,去厂家的官网选定自己所需的型号,就算是要省钱选用小厂的型号,也一定要备注好厂家和图纸。