CH390L与DM9000A功能对比
1、CH390L简介
CH390L是一款自带10/100M以太网介质传输层(MAC)和物理层收发器(PHY)的工业级以太网控制器芯片,支持10BASE-T的CAT3、4、5和100BASE-TX的CAT5、6连接,支持HP Auto-MDIX,低功耗设计,符合IEEE 802.3u规范。
CH390L内置16K字节的SRAM,支持3.3V或2.5V并行接口(8位/16位),兼容各种MCU、MPU、DSP等控制器。
CH390L和DM9000A同为LQFP48封装,关键引脚例如并口、以太网端口和晶振引脚完全兼容,删减部分元器件或者改变元器件参数即可替代原有DM9000A电路设计。CH390H具有功耗更低,内部集成50欧姆匹配电阻,外围精简,内置唯一以太网MAC地址等特点,使用起来更方便。

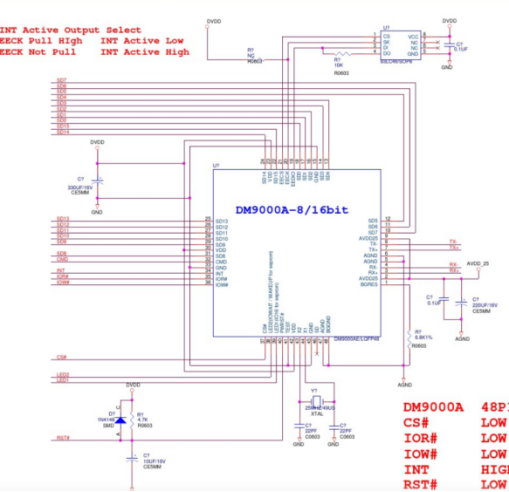
CH390L与DM9000A的引脚配置对比图
2、CH390L与DM9000性能对比
下表为CH390L与DM9000A的性能参数对比:
|
|
CH390L |
DM9000A |
|
|
PHY |
10M/100M 自适应 |
10M/100M 自适应 |
|
|
MAC |
内置唯一以太网MAC地址 |
需额外购买或分配 |
|
|
接口 |
并行接口(8位/16位) |
并行接口(8位/16位) |
|
|
SRAM |
16K |
16K |
|
|
工作模式 |
半双工/全双工 |
半双工/全双工 |
|
|
工作电压 |
3.3V |
3.3V/5V |
|
|
电流特性 |
100M 传输 |
58mA |
131mA |
|
10M 传输 |
55mA |
173mA |
|
|
10M 空闲 |
26mA |
60mA |
|
|
PHY Power Down |
5.6mA |
21mA |
|
|
工作温度 |
-40~85℃ |
-40~85℃ |
|
|
芯片封装 |
LQFP48 |
LQFP48 |
|
|
附加功能 |
内置50Ω阻抗匹配电阻 内置晶体振荡器所需电容 |
- |
|
3、CH390L与DM9000A硬件设计对比


CH390L由于采用了较新的技术,功耗更小,所需外围元器件更少,所以会有部分辅助引脚或者功能不完全兼容,电路和PCB存在差异,在进行电路设计时需要注意,具体如下:
(1)芯片引脚标号46引脚,CH390L为NC引脚,禁止连接,而DM9000为SD引脚,光纤检测引脚;
(2)CH390L已内置晶体X1的部分振荡电容,匹配电容C7和C8可以根据晶体参数调节。对于负载电容为12pF的X1,无需C7和C8;对于负载电容为20pF的X1,C7和C8建议各15pF;
(3)CH390L已内置以太网50Ω阻抗匹配电阻,外部不要再接49.9Ω或 50Ω电阻,等效于电压驱动。而DM9000A在设计电路时需要外接49.9Ω或 50Ω的下拉电阻;
(4)CH390L引脚2和引脚9之间可以连接也可以断开。而DM9000A引脚2和引脚9之间需要连接;
(5)当使用8位并口模式时,21脚连接的电阻R8需要改为6K8或4K7上拉。
4、CH390L完整应用电路设计图
