迈信EP100伺服迈信 EP100 伺服驱动器源码学习资料 迈信 ep100 ep100伺
迈信EP100伺服迈信 EP100 伺服驱动器源码学习资料
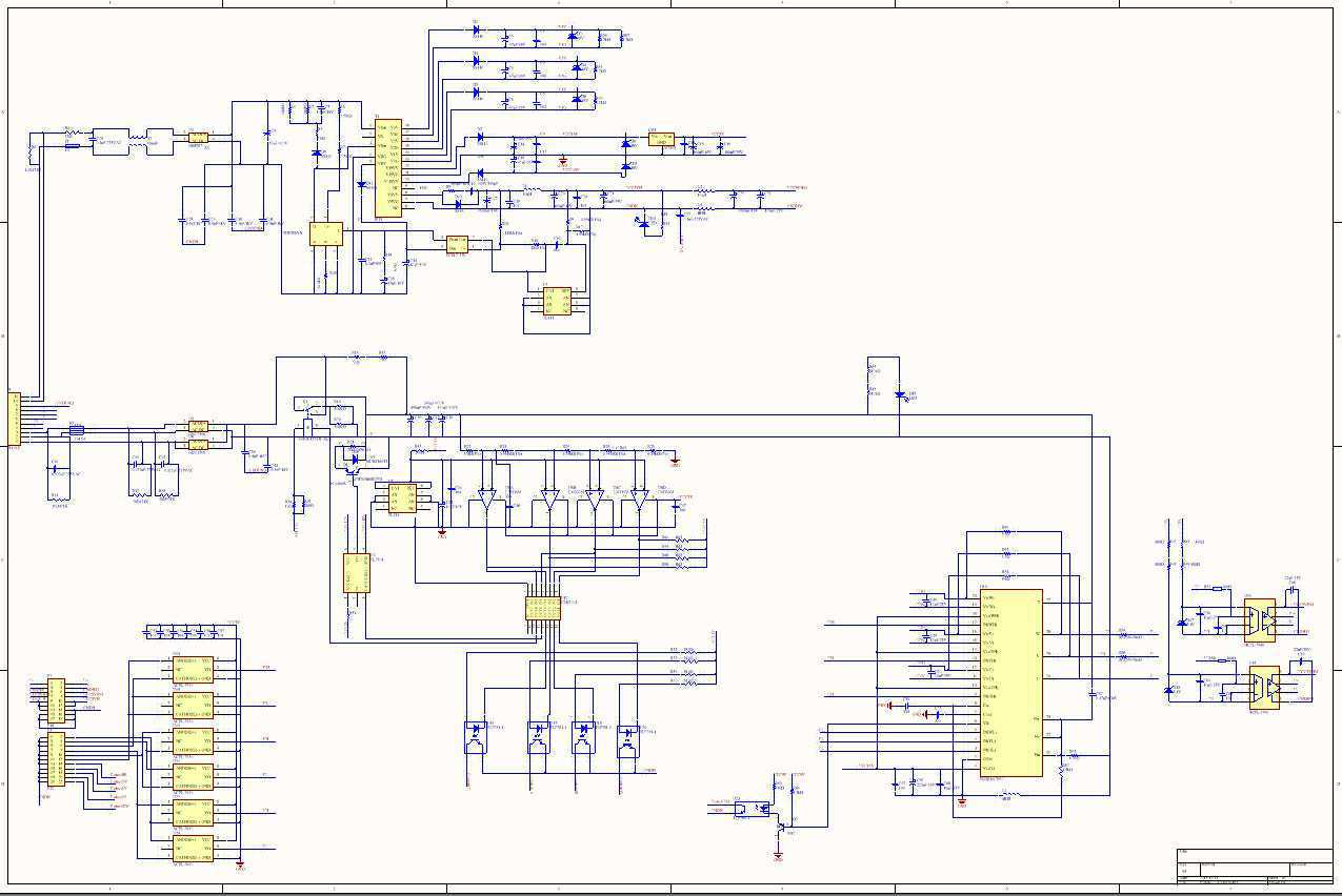
迈信 ep100 ep100伺服方案资料
stm32伺服驱动器
文件包含
(IAR源码+硬件原理图、pcb(主控板、驱动板、按键板)-AD软件)
当时买了只是用来学习,学习完了,奉献大家。
有人说是gao高 fang仿的,阅读源码感觉还行,也没有见过所谓的真源码,毕竟生产还需要进一步改进。
对于学习伺服驱动来说,源码已经足够学习两个月了,框架完整,功能较全。
。
迈信EP100是一款伺服驱动器,它提供了学习资料和源码供人们学习和研究使用。这个驱动器使用了stm32芯片,并且包含了一些文件,如IAR源码、硬件原理图和pcb设计文件等。这些资料可以帮助人们理解和学习伺服驱动器的工作原理和设计。有人声称这些资料只是仿制的,但是从阅读源码的感觉来看,它们还是相当不错的。虽然没有见过所谓的真正的源码,但是对于学习伺服驱动来说,这些源码已经足够了。它们提供了一个完整的框架和丰富的功能,可以供人们学习和研究至少两个月。
知识点和领域范围:
- 伺服驱动器:伺服驱动器是一种用于控制伺服电机运动的设备。它通常由控制电路和功率电路组成,可以根据输入信号控制电机的位置、速度和加速度等参数。
- EP100:EP100是一款特定型号的伺服驱动器,可能具有特定的功能和特性。
- stm32:stm32是一系列由STMicroelectronics公司生产的32位微控制器。它们具有高性能、低功耗和丰富的外设接口等特点,广泛应用于各种嵌入式系统中。
- 源码学习:通过阅读和理解源代码来学习软件或硬件系统的工作原理和设计思路。
- IAR:IAR是一家瑞典公司,提供了一套用于嵌入式系统开发的集成开发环境(IDE),其中包括编译器、调试器和其他开发工具。
- 硬件原理图:硬件原理图是一种图形化表示电路连接和元件布局的图纸,可以帮助人们理解电路的结构和工作原理。
- PCB设计:PCB设计是指将电路设计转化为实际的印刷电路板(PCB)的过程,包括布局、布线和元件安装等步骤。
- 高仿:指对某个产品或设计进行仿制,并尽可能地模仿原产品或设计的外观、功能和性能。
- 框架:在软件开发中,框架是指提供了一套基本结构和功能的软件平台,可以帮助开发人员更快地构建应用程序。
- 功能:指软件或硬件系统所具有的各种操作和特性,可以满足用户需求的不同方面。
ID:1715589630665627








STM32F407 兼容FX3U PLC方案 STM32F407兼容三菱FX3U的
FPGA电机控制源码(verilog+nios2架构)FPGA电机控制源码, 方案为单FPGA方案才用底层verilog + 应用层nios2的